ds341x伸縮蝶閥

ds341x伸縮蝶閥

  • 質量穩定
  • 價格合理
  • 交貨快捷
  • 泰通閥門為您提供全套工程閥門解決方案
  • 銷售:021-6810 3333    6139 0811
  • 傳真:021-5168 6322
  • 地址:上海南匯空港工業區金聞路1288號

詳細介紹

產品用途
伸縮蝶閥為法蘭式蝶閥和管道伸縮器兩種功能為一體,即能起到節流作用,又能解決溫差所產生的內力的消除,即起到伸縮作用。該閥可在電力、冶金、石油、化工、煤氣、城市供熱、水電造紙、輕紡、醫藥、食品、供排水、能源、一切非腐蝕性的氣體、液體、半流體以及固體粉末管線和容器上作為調節和截流使用。可任意位置安裝,不受介質、流向的影響,另作閥門安裝時兩法蘭間距的調節。
   1、設計新穎,結構獨特。
   2、體積小,重量輕。
   3、操作輕便省力,啟閉迅速。
   4、密封部位能調節和更換,密封性能可靠,流阻小,節能。
主要技術參數
公稱通徑 DN
50~3000mm
公稱壓力
0.1~4.0Mpa
適用溫度
-50~200
傳動方式
手支、蝸輪、氣動、電動
適用介質
水、蒸氣、酸、堿、油品等
標準規范

制造標準
GB12238-89
尺寸標準
GB/T17241.6-98
結構長度
GB12221-89
檢驗標準
GB/T13927-92

主要零件材料

閥體
閥板
閥座
閥桿
填料
HT200
WCB
1Cr18Ni9Ti
HT200
WCB
1Cr18Ni9Ti
丁腈橡膠
乙丙橡膠
氟橡膠
45
2Cr13
1Cr18Ni9Ti
柔性石墨

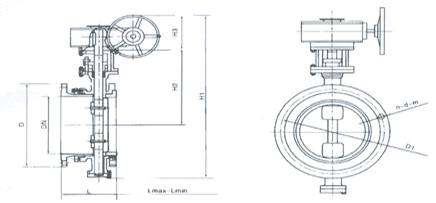
主要外形尺寸與法蘭連接尺寸

規格
D1
D2
D
Lmax
Lmin
H1
H2
Z-ød
100
180
155
215
216
174
110
170
8-ø18
125
210
185
245
232
186
123
185
8-ø18
150
240
210
280
239
194
140
210
8-ø23
200
295
265
335
264
214
170
238
8-ø23
250
350
320
390
296
235
195
270
12-ø23
300
400
368
440
300
250
222
300
12-ø23
350
460
428
500
320
270
252
330
16-ø23
400
515
482
565
332
282
285
368
16-ø25
450
565
532
615
355
305
310
402
20-ø25
500
620
585
670
365
315
337
438
20-ø25
600
725
685
780
420
370
393
490
20-ø30
700
840
800
895
446
396
450
558
24-ø30
800
950
905
1010
476
426
515
625
24-ø34
900
1050
1005
1110
506
456
560
685
28-ø34
1000
1160
1115
1220
516
466
610
750
28-ø34
1200
1380
1325
145
560
510
725
880
32-ø41
1400
1590
1525
1675
590
540
840
987
36-ø48
1600
1820
1750
1915
630
585
960
1158
40-ø54
1800
2020
1950
2115
680
630
1060
1258
44-ø54
2000
2230
2160
2325
730
680
1165
1365
48-ø54
產品尺寸
溫馨提示:“ds341x伸縮蝶閥”所有文字、數據、圖片均只適用于參考。
如需與實物相吻合的性能參數、結構尺寸參數等詳情請來電來函索取。
電話:021-68103333    傳真:021-51686322
  • 泰通二維碼掃一掃關注我們
  • 聯系我們
  • 公司地址:上海南匯空港工業區金聞路1288號
  • 浙江基地:溫州甌北東甌工業區
  • 銷售:021-68103333 
  • 郵箱:shttv@qq.com
© 2017 上海泰通閥門有限公司 版權所有 滬ICP備11033150號
Top

[關閉]免費接聽泰通銷售工程師電話

輸入手機或固定電話號碼,點擊“免費咨詢”按鈕后,
我們的服務人員會在15秒內回撥您。

手機請直接輸入:如 13878800000
座機前請加區號:如 02168103333
我們已對本次通話全程加密,您的通話費用我們已經幫您支付,請放心接聽!
免費通話所產生的費用由我們來支付,請放心接聽!
銷售熱線:021-6810 3333