BWSC中線型對夾信號蝶閥

BWSC中線型對夾信號蝶閥

  • 質量穩定
  • 價格合理
  • 交貨快捷
  • 泰通閥門為您提供全套工程閥門解決方案
  • 銷售:021-6810 3333    6139 0811
  • 傳真:021-5168 6322
  • 地址:上海南匯空港工業區金聞路1288號

詳細介紹

產品概述
BWSC中線型對夾信號蝶閥是我廠引進國外先進技術而自行開發的中線型蝶閥,它具有結構簡單,密封可靠,開啟輕便、壽命長、維護方便等優點。故被廣泛地應用于給排水、建筑消防等系統各種管道上,尤其在消防管路中。本信號閥可明白無誤的顯示出閥門開關狀態,具有直觀、清晰、可靠的反映出消防系統中的工作狀態,所以廣泛、大量的適用于消防系統中。

主要技術參數

公稱通經
公稱壓力
工作溫度
密封試驗
強度試驗
適用介質
DN50~400mm
1.0/1.6/2.5MPa
0℃~-80℃
1.1倍公稱壓力
1.5倍公稱壓力
水、油、氣

主要零件材料

序號
零件名稱
材質
序號
零件名稱
材質
1
閥體
球鐵、鑄鋼
7
密封圈
NBR。EPDM
2
閥軸
SUS410/SUS316
8
圓墊片
SUS316/黃銅
3
蝶板
球鐵噴塑、不銹鋼
9
對開環
SUS316/黃銅
4
閥座
EPDM,PTEE
10
擋圈
彈簧鋼
5
襯套
青銅,聚四氟乙烯
 
 
 

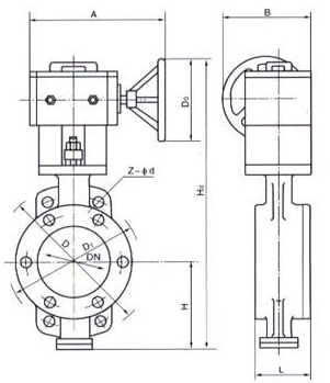
WBSX消防專用信號蝶閥主要外形連接尺寸 單位:mm

DN
50
65
80
100
125
150
200
250
300
350
400
H
268
287
309
342
376
410
495
565
849
985
1109
H1
70
76
86
104
118
132
167
198
239
267
309
L1
43
46
46
52
56
56
60
68
68
78
102
L2
32
47
65
91
112
146
194
242
292
325
380
L3
245
245
245
245
245
245
400
400
400
400
431
Ф1
152
152
152
152
152
152
300
300
305
305
290

產品尺寸

溫馨提示:“BWSC中線型對夾信號蝶閥”所有文字、數據、圖片均只適用于參考。
如需與實物相吻合的性能參數、結構尺寸參數等詳情請來電來函索取。
電話:021-68103333    傳真:021-51686322
  • 泰通二維碼掃一掃關注我們
  • 聯系我們
  • 公司地址:上海南匯空港工業區金聞路1288號
  • 浙江基地:溫州甌北東甌工業區
  • 銷售:021-68103333 
  • 郵箱:shttv@qq.com
© 2017 上海泰通閥門有限公司 版權所有 滬ICP備11033150號
Top

[關閉]免費接聽泰通銷售工程師電話

輸入手機或固定電話號碼,點擊“免費咨詢”按鈕后,
我們的服務人員會在15秒內回撥您。

手機請直接輸入:如 13878800000
座機前請加區號:如 02168103333
我們已對本次通話全程加密,您的通話費用我們已經幫您支付,請放心接聽!
免費通話所產生的費用由我們來支付,請放心接聽!
銷售熱線:021-6810 3333