詳細介紹
產品特征 公稱壓力:1.6-6.4MPa 適用穩定范圍:-20~232℃~350℃ 適用介質:水、油、氣及某些腐蝕性液體(W。O。G) 螺紋類型:G。NPT。BSPT。BSP。DI259/2999 主要連接尺寸及重量
主要零件材料
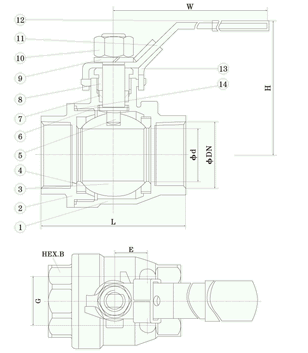
產品尺寸
| ||||||||||||||||||||||||||||||||||||||||||||||||||||||||||||||||||||||||||||||||||||||||||||||||||||||
溫馨提示:“二片式球閥”所有文字、數據、圖片均只適用于參考。
如需與實物相吻合的性能參數、結構尺寸參數等詳情請來電來函索取。
電話:021-68103333 傳真:021-51686322
如需與實物相吻合的性能參數、結構尺寸參數等詳情請來電來函索取。
電話:021-68103333 傳真:021-51686322

軟密封蝶閥視頻介紹





掃一掃關注我們